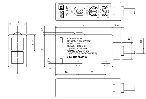
「光電センサ」PS-102 外形寸法図
CLOSE
PAGE TOP
All Rights Reserved, Copyright(C) 1996-2005, COCORESEARCH INC.