計測器メーカーのココリサーチ
製品
用途例
技術情報
サポート
会社
採用
お問合せ
PAGE
TOPへ

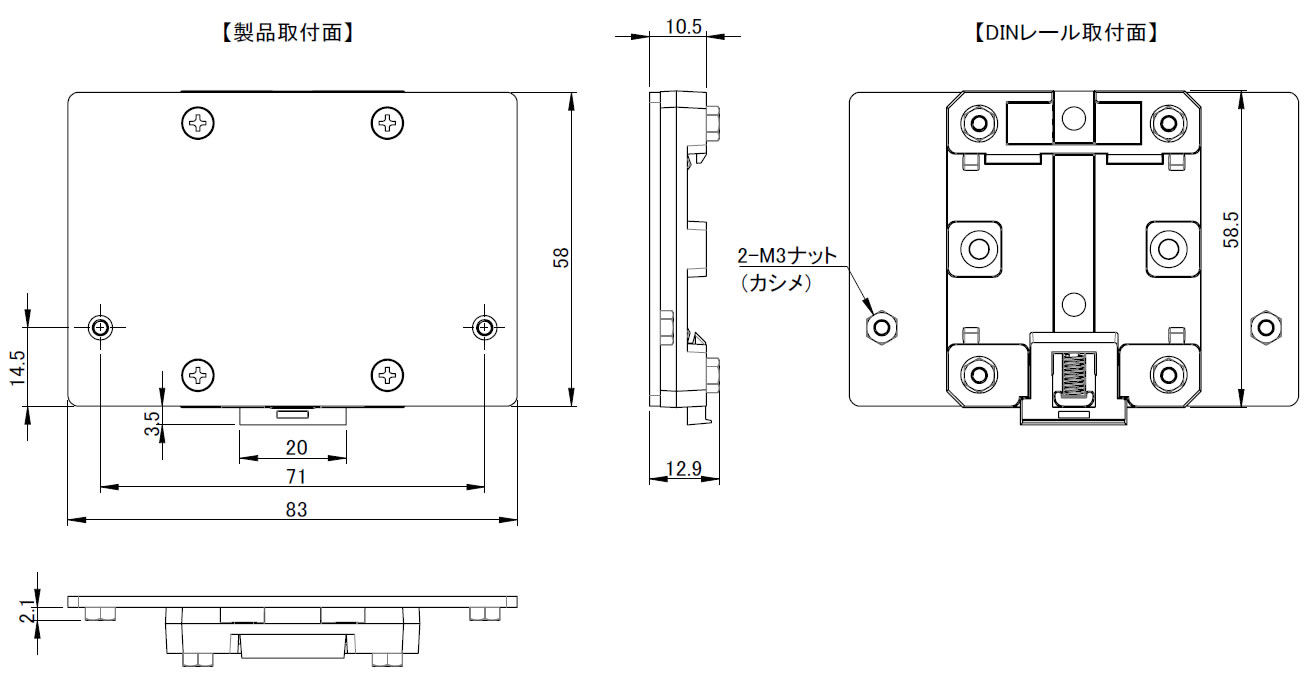
DINレール(35mm幅)取付金具 BXF-DN1 外形寸法図

製品ページ
主な仕様
お問合せ
取扱説明書
 > お問い合わせフォームへ 
技術相談のお問い合わせ先
製品の設定・使いかた・測定に関するご相談など

TEL: 03-3382-1410